Technical Support

Operation method of special transformati

ZC-203C The special transformer ratio tester adopts large screen LCD display, full Chinese menu and ...

2020-08-19

AC impedance test method of generator ro

The turn to turn short circuit of rotor winding is a common fault of generator, but it is troublesom...

2020-08-19

Test method of transformer no load &

The transformer no-load and load tester is a new type of instrument specially designed for the probl...

2020-08-19

Specific operation method of wireless se

Wireless secondary voltage drop load tester is also known as secondary voltage drop load on-line tes...

2020-07-30

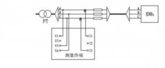
Current transformer test method of trans

CTP-1000B variable frequency transformer tester is a new generation of CT and PT testing instrument ...

2020-07-30

My Site © www.kvtester.com    Powered By Kvtester